DIN 603
* указаны ознакомительные цены. окончательные цены определяются после общения с менеджером продаж
Мебельный болт DIN 603 с полукруглой головкой и квадратным подголовником, предотвращающим проворачивание болта, применяется:
-
для скрепления деревянных и строительных конструкций в мебельной и строительной промышленности;
-
в качестве альтернативы ГОСТ 7802-81 в монтаже дорожных и мостовых ограждений;
-
для крепления узлов и деталей в машиностроении.
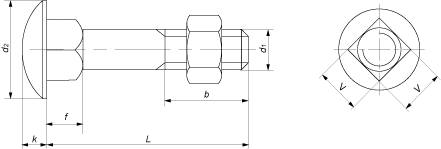
Схема стандарта DIN 603

Аналоги DIN 603
| Стандарт | Отличия |
|---|---|
| EN ISO 8677 | Практически идентичны |
| ГОСТ 7802-81 | Согласно DIN 603 (EN ISO 8677) параметры головки незначительно выше аналогичных параметров ГОСТ 7802-81 |
Таблица размеров болтов DIN 603
|
Параметры болта |
Номинальный диаметр резьбы, d |
|||||||
|
М5 |
М6 |
М8 |
М10 |
М12 |
M16 |
М20 |
||
|
Шаг резьбы, P |
0,8 |
1 |
1,25 |
1,5 |
1,75 |
2 |
2,5 |
|
|
Диаметр головки, d2 |
минимум |
12,45 |
15,45 |
19,35 |
23,35 |
29,35 |
37,2 |
45,2 |
|
максимум |
13,55 |
16,55 |
20,65 |
24,65 |
30,65 |
38,8 |
46,8 |
|
|
Высота головки, k |
минимум |
2,7 |
3,12 |
4,12 |
4,62 |
6,05 |
8,05 |
9,95 |
|
максимум |
3,3 |
3,88 |
4,88 |
5,38 |
6,95 |
8,95 |
11,05 |
|
|
Высота подголовка f, не менее |
2,9 |
3,4 |
4,4 |
5,4 |
7,25 |
11,1 |
14,1 |
|
|
Размер стороны квадартного подголовника, V |
минимум |
4,52 |
5,52 |
7,42 |
9,42 |
11,3 |
15,3 |
19,16 |
|
максимум |
5,48 |
6,48 |
8,58 |
10,58 |
12,7 |
16,7 |
20,84 |
|
|
Длина резьбовой части, b |
L ≤ 125 |
16 |
18 |
22 |
26 |
30 |
38 |
46 |
|
125 < L ≤ 200 |
22 |
24 |
28 |
32 |
36 |
44 |
52 |
|
|
L > 200 |
- |
- |
41 |
45 |
49 |
57 |
65 |
|
Все параметры в таблице указаны в мм.
Масса болтов DIN 603
|
Длина болта l, мм |
Теоретическая масса 1000 шт. болтов, кг. при номинальном диаметре резьбы d |
||||||
|
М5 |
М6 |
М8 |
М10 |
М12 |
M16 |
М20 |
|
|
16 |
4 |
6,9 |
|||||
|
20 |
4,5 |
7,6 |
13,8 |
22,7 |
|||
|
25 |
5,1 |
8,5 |
15,4 |
25,2 |
|||
|
30 |
5,9 |
9,6 |
17 |
27,7 |
45,7 |
||
|
35 |
6,7 |
10,7 |
19 |
30,2 |
49,4 |
||
|
40 |
7,5 |
11,8 |
21 |
32,7 |
53,1 |
||
|
45 |
8,3 |
12,9 |
23 |
35,8 |
56,8 |
||
|
50 |
9,1 |
14 |
25 |
38,9 |
61,2 |
119 |
|
|
55 |
9,9 |
15,1 |
26,9 |
42 |
65,6 |
126 |
|
|
60 |
10,7 |
16,2 |
28,9 |
45,1 |
70 |
133 |
|
|
65 |
11,5 |
17,3 |
30,9 |
48,2 |
74,4 |
141 |
|
|
70 |
12,3 |
18,4 |
32,9 |
51,3 |
78,8 |
149 |
247 |
|
80 |
13,9 |
20,6 |
36,8 |
57,5 |
87 |
165 |
272 |
|
90 |
22,8 |
40,8 |
63,7 |
96 |
181 |
297 |
|
|
100 |
25 |
44,8 |
69,9 |
105 |
197 |
322 |
|
|
110 |
27,2 |
48,8 |
76,1 |
114 |
213 |
347 |
|
|
120 |
29,4 |
52,8 |
82,3 |
123 |
229 |
372 |
|
|
130 |
31,6 |
56,8 |
88,5 |
132 |
245 |
397 |
|
|
140 |
32,8 |
60,8 |
95 |
141 |
261 |
422 |
|
|
150 |
35 |
64,8 |
101 |
150 |
277 |
447 |
|
|
160 |
107 |
159 |
293 |
497 |
|||
|
180 |
119 |
177 |
325 |
547 |
|||
|
200 |
131 |
195 |
357 |
597 |
|||
Дополнительную информацию о технических характеристиках болта DIN 603 можно получить у менеджеров нашей компании.
Где купить болты DIN 603 в Москве?
Все позиции, представленные в разделе «Мебельные болты DIN 603», можно заказать с доставкой на официальном сайте СТРОЙМЕТИЗ. После совершения онлайн-платежа мы быстро привезем Ваш заказ по нужному адресу.
Купить болты DIN 603 у нас могут частные лица и организации, оптом или в розницу. Мы работаем напрямую с отечественными производителями или официальными представителями зарубежных брендов. У нас широкий ассортимент и выгодные цены. Предлагаем удобные способы оплаты и доставку.